Nuestras piezas de tren de rodaje



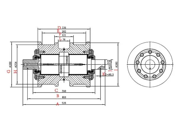
Fundada en 1987, PingTai Machinery (PT'ZM) se especializa en piezas para el tren de rodaje de excavadoras y bulldozers, incluyendo rodillos de oruga, ruedas guía, ruedas dentadas, segmentos de ruedas dentadas y componentes relacionados. Fabricados con precisión según las especificaciones OEM 1:1 de Komatsu, Caterpillar, Hitachi, Volvo y otras marcas líderes, nuestros productos son resistentes y aptos para minería, construcción urbana y entornos extremos. Con certificaciones GB/ISO9001, ISO14001 e ISO45001, PT'ZM atiende a clientes en todo el mundo, ofreciendo productos de alta calidad, entregas puntuales, soporte técnico y soluciones rentables para relaciones comerciales a largo plazo y mutuamente beneficiosas.