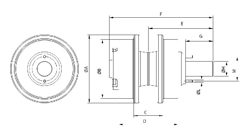
Descripción: Rodillo portador
Origen: China
Marca: PT'ZM
Modelo de máquina aplicable: D85EX 15
Marca de máquina aplicable: Komatsu
Número de pieza: 154-30-01040
Certificado: GB/T19001-2016, ISO9001:2015
Precio: A convenir
Método de embalaje: Embalaje marítimo fumigado
Plazo de entrega: 7-30 días
Condiciones de pago: Transferencia bancaria (transferencia bancaria, otras condiciones a convenir)
Condiciones de envío: FOB, CIF, CFR
Cantidad mínima de pedido: 1 unidad
Capacidad de suministro: 10 000 unidades/mes
Material: 40 Mn2
Proceso de fabricación: Forjado
Acabado: Liso
Dureza: HRC48-55, profundidad: 8-10mm
Calidad: Construcción y minería, trabajo pesado
Periodo de garantía: 12 Meses
Servicio posventa: Soporte técnico por video, soporte en línea
Color: Amarillo o a petición del cliente
Aplicación: Bulldozer sobre orugas